首页
医院概况
医院简介
医院文化
设施设备
环境照片
大事记
党建文化
党建阵地
党建动态
榜样力量
学习资料
科室设置
健康管理体检
手术科室
非手术科室
其他科室
医技科室
专家团队
专家团队
患者服务
专家坐诊
预约挂号
门诊就诊指南
特色诊疗
医院布局
医保服务
出/入院服务
健康科普
意见建议
特殊人群服务
新闻中心
院内新闻
媒体报道
公示公告
公益事业
科研教学
科研介绍
科研动态
通知公告
医联体
医联体介绍
新闻动态
成员单位
人才招聘
招聘职位
公示公告
Public Announcement
频道主页
院内新闻
媒体报道
公示公告
公益事业
当前位置:
首页
新闻中心
公示公告
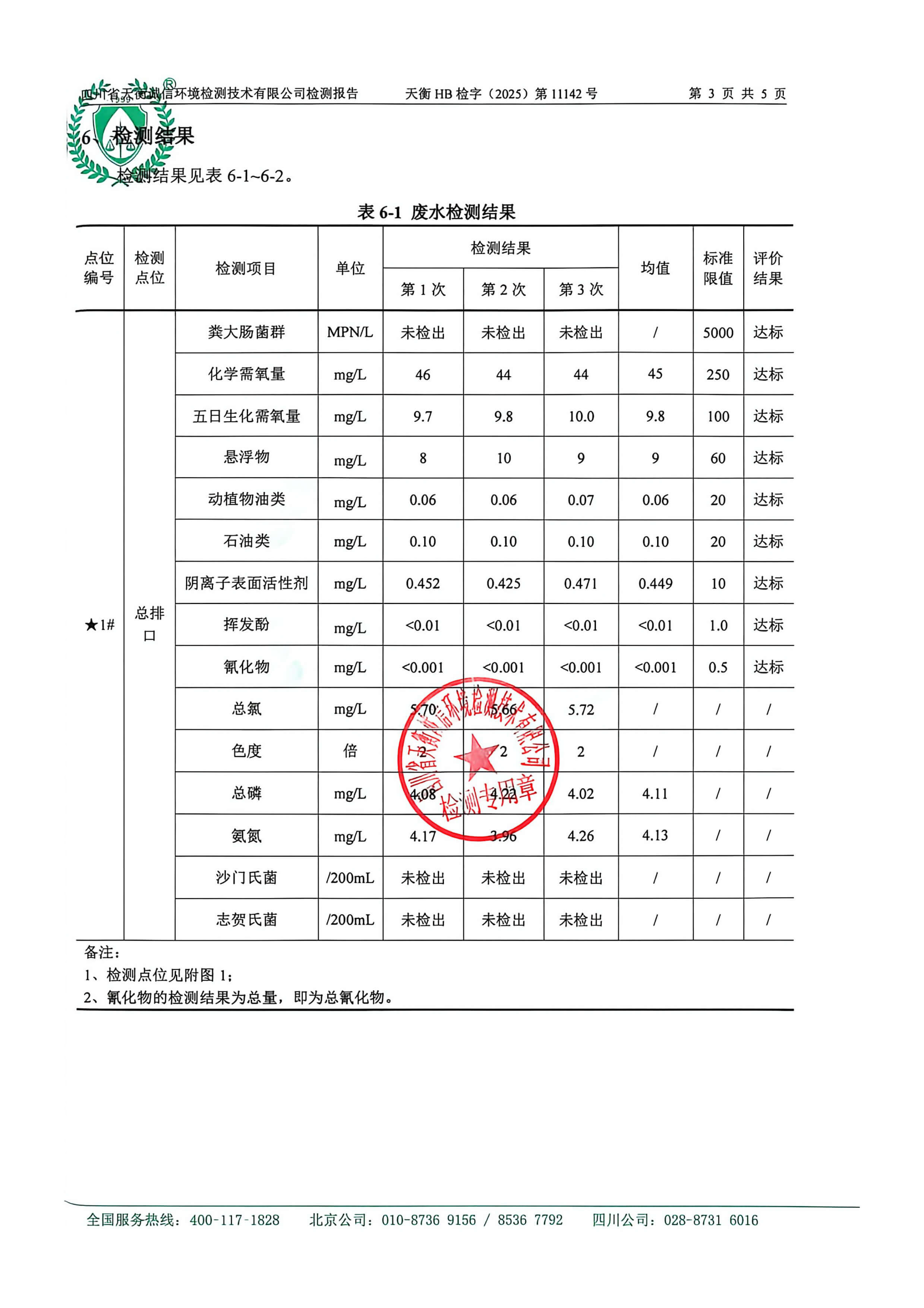
成都双楠医院第四季度环境监测信息公示
发布时间:
2025-12-02
最后更新时间:
2025-12-02
本文来源:
成都双楠医院
相关推荐
2025.10.27
成都双楠医院第三季度环境监测信息公示
查看更多
2025.09.22
『国庆·中秋 百万补贴』成都双楠医院大型爱心惠民活动!
查看更多
2025.09.02
通知|成都双楠医院将于9月5日(周五)暂停驾照体检
查看更多